金曜天文講話
宇宙天気基礎講座
土日公開
団体見学
星空観望会
花山天文台
概要
アクセス
花山天文台の歴史
将来構想
寄付をする
花山天文台で詠まれた俳句・短歌
財団概要
代表メッセージ
活動目的
財団体制
事業報告
お問い合わせ
入会・支援
賛同メッセージ
会員になる
法人賛助会員一覧
個人会員一覧
HOME
イベント
過去イベント一覧
PAST
過去のイベント一覧
10月
10
2025
金曜天文講話
金曜天文講話「東アジア最大の京大岡山せいめい望遠鏡、観測開始から6年」
10月
11
2025
土日公開
土日公開「自由見学コース」
10月
11
2025
土日公開
土日公開「太陽スペクトル観望コース」
10月
12
2025
土日公開
土日公開「4次元デジタル宇宙シアター上映コース」
10月
18
2025
土日公開
土日公開「太陽スペクトル観望コース」
10月
18
2025
土日公開
土日公開「自由見学コース」
10月
19
2025
土日公開
土日公開「4次元デジタル宇宙シアター上映コース」
10月
23
2025
宇宙天気基礎講座
宇宙の天気を予報しよう(第2回/全5回)
10月
24
2025
金曜天文講話
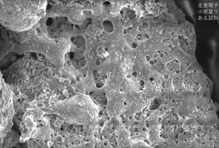
金曜天文講話「太陽系小天体から試料を持ち帰る:リターンサンプルの科学」
1
…
9
10
11
12
13
…
16